Rola intinzatoare 1, Buldozer, CATERPILLAR, 578,BERCO CR4155,BERCO CR4530,CATERPILLAR 111-1730,CATERPILLAR 2Y7339,CATERPILLAR 5Y0742,CATERPILLAR 6Y0557,CATERPILLAR 7T2050,CATERPILLAR 7T9461,CATERPILLAR 9P0209,CATERPILLAR 9W9989,ITM P01080N4M00,VPI VCR4530V
Selecteaza MARCA si MODELUL:
Selecteaza MARCA ATLAS-COPCO (DRILLING) ATLAS-TEREX BOB - CAT CASAGRANDE CASE CATERPILLAR CNH-FIAT NEW HOLLAND DAEWOO DEMAG DOOSAN DRESSER DRESSER-FURUKAWA FIAT-HITACHI FIAT-KOBELCO/NEW HOLLAND FUCHS HANOMAG HIDROMEK HITACHI HYUNDAI INGERSOLL RAND JCB JOHN DEERE JOHN DEERE-CAMECO KATO KOBELCO KOMATSU KOMATSU UTILITY KUBOTA LAMBORGHINI LANDINI MASSEY FERGUSON LIBRA LIEBHERR MECALAC MITSUBISHI NEUSON O-&-K-TEREX PEL JOB - ECOMAT POCLAIN-CASE POCLAIN SAME-SLH SAMSUNG-H.I. SANDVICK SCHAEFF SENNEBOGEN SUMITOMO SUMITOMO-LINKBELT TAKEUCHI TAMROCK TIGERCAT TIMBERJACK VERMEER VOGELE VOLVO WIRTGEN YANMAR
Rola intinzatoare 1 Buldozer CATERPILLAR 578
Marca utilaj:
CATERPILLAR
Tip utilaj:
Buldozer
model:
578
Rola intinzatoare 1
CTHP0108N0
Greutate:
350.00 Kg
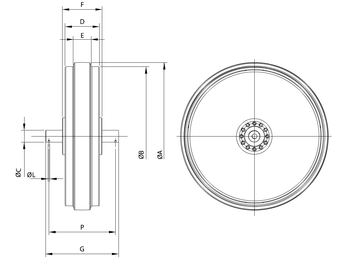
Detalii:
A
740
Central flange outside
B
698
Tread diameter
C
127,1
Shaft diameter
D
220
Idler shell width
E
100
Track chain guide
F
312,6
Total collar width
G
460
Total idler width
H
Total collar lenght
I
Collar lenght from center
L
12
Bolt hole size
K
Collar off-set
M
Bolt hole pattern
N
Bolt hole pattern
P
436
Pin pitch
Q
Collar guide width
R
Bolt hole pattern
U
Side collar pattern
V
Side collar pattern
Compatibil cu urmatoarele utilaje:
CROSS REFERENCE (Coduri originale):
BERCO CR4155 BERCO CR4530 CATERPILLAR 111-1730 CATERPILLAR 2Y7339 CATERPILLAR 5Y0742 CATERPILLAR 6Y0557 CATERPILLAR 7T2050 CATERPILLAR 7T9461 CATERPILLAR 9P0209 CATERPILLAR 9W9989 ITM P01080N4M00 VPI VCR4530V
Contact:
CTH Parts SRL Romania
C.U.I.: RO39853909
Reg. Com.: J22/2390/2018
Capital social: 10000 Lei
Adresa:
062202 Bucuresti, Str. Preciziei 32
Telefon:
+40.737.242.777
Program:
Luni-Vineri: 08:00 - 17:00
Sambata: 09:00 - 12:00
Copyright © 2021 excavator.expert
Cookie-urile ne ajuta sa va oferim servicii mai bune. Prin folosirea site-ului, confirmati ca aveti peste 16 ani, ca sunteti de acord cu folosirea cookie-urilor de catre Senile de Otel si sunteti de acord cu prelucrarea datelor cu caracter personal in conformitate cu politica de confidentialitate si securitate a datelor cu caracter personal implementata de Senile de Otel specificata in pagina Termeni si conditii
Detalii
Accept